Translate

giovedì 26 ottobre 2017

Logica di controllo elettromeccanica : circuiti di sicurezza o di emergenza , da : Elettromeccanica : un pò di scuola o lezioni cercando la semplicità - potenza e carico ( motori elettrici , elettrovalvole , elettromagneti , contattori o teleruttori , magnetotermici , relè termici , fusibili , autotrasformatori , inverter ...) , logica di comando e di sicurezza ( circuiti di sicurezza e di comando dei componenti di gestione diretta del carico , formati da pulsanti di varie tipologie , finecorsa , sensori , fotocellule , relè , temporizzatori , teleruttori , trasformatori , PLC...) .



In questo post , sempre facendo riferimento a pagine di un mio schema , farò una breve descrizione del circuito d'emergenza , molto importante per la sicurezza , senza entrare nel merito del "PL" (Performance Level) o del "SIL" (Safety Integrity Level) introdotti dalle norme EN 13849-1 e EN 62061 , di cui riporto a fine post alcuni LINK interessanti per chi volesse approfondire l' argomento senza dover cercare molto sul WEB . Dunque il circuito d'emergenza , sia che venga utilizzato un sistema ridondante a due teleruttori come nel caso dello schema sotto riportato ( colonne 1 e 2 - K05a e K05 ) , sia dispositivi di sicurezza elettromeccanici o misti ( elettronica ed elettromeccanica insieme ) adottati dopo aver stabilito il PL e/o il SIL trattati nei LINK a fine post , deve essere composto , oltre che dai vari interblocchi circuitali ( magnetotermici o relé termici di protezione motori - consenso degli inverter e contatti di relé vari ) , da attuatori , come il o i pulsanti d'arresto d'emergenza - i finecorsa su porte o portelli con accesso a zone pericolose , ad apertura forzata ( detta apertura positiva - vedi link a fine post ed in particolare l'ultimo ) ; nel caso dello schema sottoriportato PE01- PE02 - MS01 - MS30 - MS31 ( colonne 1 e 2 ) hanno contatti normalmente chiusi che , se fossero incollati , al tentativo di apertura si devono strappare..... Quando le macchine non vengono vendute nei paesi Europei non è , naturalmente , obbligatorio fare riferimento alle norme EN... , che essendo le più rigide andrebbero sempre bene ( a parte le CSA Canadesi e Statunitensi specialmente riguardo ai cavi di collegamento del quadro elettrico e di bordo macchina ) , il progettista elettromeccanico , per rendere la macchina concorrenziale nel mercato può alleggerire un pò ma ha l'obbligo di non alleggerire troppo sulla sicurezza perché essa riguarda principalmente le persone che sono tali in tutte le parti del mondo quindi meritano uguale attenzione .
In alcune macchine , a volte , al posto dei finecorsa possono essere richiesti sensori o fotocellule ; in questo caso vanno scelti esaminando le loro caratteristiche tecniche in base al PL e/o SIL di sicurezza che si vuole raggiungere . Di seguito inserisco tre esempi di caratteristiche di sensori e fotocellule Sick per capire meglio...

Fotocellule :
Forma compatta per un'ottimale integrazione in applicazioni di sicurezza fino al tipo 2
    Tipo 2 (IEC 61496), SIL1 (IEC 61508), PLc (EN ISO 13849), solo in combinazione con adeguato     dispositivo di test, ad es. Flexi Classic o Flexi Soft
    Dimensioni compatte con distanze operative fino a 18 m
    Custodia di plastica, ABS
    Grado di protezione IP 67
    Intervallo di temperatura da –40 °C a +60 °C

 Forma robusta e per elevata resistenza in condizioni ambientali estreme
    Tipo 4 (IEC 61496), SIL3 (IEC 61508), PLe (EN ISO 13849)
    Struttura robusta
    Possibilità di impiego universali
    Distanze operative fino a 70 m
    Uscite relè
    Riscaldamento della finestrella frontale


Sensori :
Impiego universale fino al tipo 4 con soluzioni di controllo sicure SICK
    Tipo 4 (IEC 61496), SIL3 (IEC 61508), PLe (EN ISO 13849), solo in combinazione con adeguato      dispositivo di test, ad es. Flexi Classic o Flexi Soft
        Grado di protezione IP 67
    Intervallo di temperatura da –40 °C a +55 °C
    Ottica radiale (specchio deviatore a 90°)

Onde evitare interpretazioni teoriche a volte errate occorre sempre provarle in pratica e poiché io non sono più un progettista praticante non mi azzardo ad avventurarmi in spiegazioni sul Performance Level ( PL ) ed il Safety Integrity Level ( SIL ) ( è anche abbastanza complesso...) per cui chi dovesse leggere questo post e fosse già un affermato progettista non avrebbe nulla da imparare da me , anzi sicuramente sarei io che avrei da imparare da lui , mentre altri eventualmente interessati si dovranno accontentare dei Link in fondo al post o farsi una cultura tramite libri - riviste o ricerche proprie o meglio ancora chiedere la collaborazione dei tecnici dei produttori dei componenti da utilizzare , preferendo i più organizzati come ad esempio la Siemens - Sick ecc.. , e/o i tecnici degli Enti omologatori come  INRS francese e BG tedesco ( per me è sempre stata la via più breve per farmi una buona cultura su tutte le novità.....) .

Se in questi post dovesse venir fuori qualche errore ( spero almeno lieve ) e qualcuno volesse farmelo notare lo ringrazio e provvederò subito a correggerlo .
A mio favore , anche se per un progettista che ha fatto tale lavoro per parecchi anni è molto normale , c' è il fatto che in giro per il mondo ci sono ancora migliaia di macchine , di cui molte con la mia sola partecipazione mentre le più complesse ( comunque di media complessità in generale ) progettate interamente da me ( logicamente in collaborazione con l' ufficio tecnico meccanico ) che stanno ancora lavorando senza aver creato problemi di sicurezza ....
Nel prossimo post , che sarà anche l' ultimo sull'elettromeccanica , commenterò qualche elementare circuito a relé senza e con temporizzatore per dilettanti......




 

 Link interessanti ( finché verranno mantenuti attivi......) :

Utile  manuale Siemens del 2013 ( di 162 pagine ) sulla tecnica di sicurezza con esempi e riferimenti...https://drive.google.com/file/d/0B27OoWj_ukRMRGZpMzNLMzdvUTg/view?usp=sharing 

 

Breve introduzione all' automazione ( da MESA con riferimento alla Commissione Europea ) che confronta le differenze fra logica cablata e programmata (PLC) , la cui conclusione però è : le azioni in condizione d'emergenza vanno comunque affidate a logiche di tipo cablato esterne al funzionamento del PLC ...(..importante..)...https://drive.google.com/file/d/0B27OoWj_ukRMamxUMVN1SXMtLVk/view?usp=sharing

 

Elaborato della Elektro.it , di 78 pagine ( del 2010 però , quindi nel passaggio dalla vecchia normativa alle nuove EN 13849-1 e EN 62061 ) che cerca di spiegare il PL ( Performance Level ) , il SIL ( Safety Integrity Level ) e la classificazione delle nuove categorie ( impegnativo... )... https://drive.google.com/file/d/0B27OoWj_ukRMUEFvUkhoZVNhV28/view?usp=sharing

 

Descrizione dei vari tipi di relé nelle prime pagine....https://drive.google.com/file/d/0B27OoWj_ukRMZlJRdzJhZ1dneWc/view?usp=sharing

 

 Riflessioni Siemens ( di 25 pagine del 2011 ) sulle norme En 13849-1 e En 62061 con esempi di utilizzo della loro componentistica di sicurezza...https://drive.google.com/file/d/0B27OoWj_ukRMeWdTUm94bXFCT1U/view?usp=sharing



Riflessione Siemens del 2009 sul concetto di sicurezza andando verso le EN 13849-1 ed EN 62061...
https://drive.google.com/file/d/0B27OoWj_ukRMbHg4c1Q3b1h5Tjg/view?usp=sharing



Pizzato : apertura positiva dei contatti , Performance level ecc.. di 22 pagine...
https://drive.google.com/file/d/0B27OoWj_ukRMeHgwNTRUUlZ2OWs/view?usp=sharing



Sicurezza funzionale secondo le norme EN 13849-1 ed EN 62061 d Vanni - Valeri ( del 2012 - pagine 8 ) : Performance level - Safety Integry Level ecc....
https://drive.google.com/file/d/0B27OoWj_ukRMRlkyRURaUTYxdFU/view?usp=sharing



Apertura positiva e negativa dei contatti di relé ed attuatori vari ( mi sembra ben fatto... ,  della Voltimum )...
https://drive.google.com/file/d/0B27OoWj_ukRMQ0lDaFluQzN2SUk/view?usp=sharing


Seguono i Link dei miei post di elettromeccanica :
https://silvanastrina.blogspot.com/2016/11/progettazione-elettromeccanica-e-plc.html
https://silvanastrina.blogspot.com/2017/09/elettromeccanica-un-po-di-scuola-o.html
https://silvanastrina.blogspot.com/2017/09/accenno-agli-interruttori-sezionatori.html
https://silvanastrina.blogspot.com/2017/10/protezioni-macchina-e-carico-fusibili.html
https://silvanastrina.blogspot.com/2017/10/riflessioni-sull-utilizzo-di-inverter-o.html
https://silvanastrina.blogspot.com/2017/10/logica-di-controllo-elettromeccanica.html
https://silvanastrina.blogspot.com/2017/11/logica-di-controllo-elettromeccanica.html
https://silvanastrina.blogspot.com/2018/08/elettromeccanica-applicata-al_63.html
https://silvanastrina.blogspot.com/2019/03/progettazione-elettromeccanica-schema.html
https://silvanastrina.blogspot.com/2019/03/progettazione-elettromeccanica-schema_25.html
https://silvanastrina.blogspot.com/2019/09/sbalzi-o-black-out-della-linea.html
https://silvanastrina.blogspot.com/2020/03/progettazione-elettromeccanica-alcune.html
https://silvanastrina.blogspot.com/2020/03/progettazione-elettromeccanica-schema.html

giovedì 12 ottobre 2017

Riflessioni sull' utilizzo di inverter o convertitori di frequenza o variatori di velocità - da : Elettromeccanica : un pò di scuola o lezioni cercando la semplicità – potenza e carico ( motori elettrici , elettrovalvole , elettromagneti , contattori o teleruttori , magnetotermici , relè termici , fusibili , autotrasformatori , inverter …) , logica di comando e di sicurezza ( circuiti di sicurezza e di comando dei componenti di gestione diretta del carico , formati da pulsanti di varie tipologie , finecorsa , sensori , fotocellule , relè , temporizzatori , teleruttori , trasformatori …) .

Premettendo che , non essendo più da qualche anno un progettista elettromeccanico praticante per pensionamento e pur cercando di mantenermi il più informato possibile per curiosità , potrebbe sfuggirmi ( anzi mi sfuggirà sicuramente ) qualcosa sull'avanzamento della tecnologia specialmente quando si parla d' inverter e delle sue svariate potenzialità , ma il suo principio d'utilizzo non cambia di molto ; infatti in questo post è proprio il suo utilizzo preso in esame ( stile di lavoro di un progettista elettromeccanico ) .

Negli schemi seguenti sono rappresentati due inverter ( GF04 - foglio 2 colonna 12-13 e GF05 - foglio 1 colonna 12-13 ) ; entrambi di 2.2KVA di potenza in ingresso  e 1.5KW in uscita ma di taglie diverse ( uno di dimensioni più ridotte rispetto all' altro ) per la diversità nel loro utilizzo . Infatti , mentre GF04 , la cui potenza d' ingresso è maggiore di 1.5 KVA dell' autotrasformatore ATR01 che lo alimenta ( foglio 1 colonna 6 ) perché al momento era la prima taglia della ditta costruttrice , deve controllare un motore di 1.5KW (lievemente sovradimensionato perché normalissimo motore asincrono) ma con accelerazione e decelerazione a tempi lunghi , GF05 deve invece controllare un motore con freno sempre di 1.5KW ( particolare , cioè costruito per prestazioni superiori...)  ma con accelerazione a tempo breve e decelerazione a tempo brevissimo ; ciò comporta una più alta dissipazione d' energia che comporta l' utilizzo di componenti elettronici più potenti ( dimensioni e isolamento maggiore ecc...) . Trattandosi di una macchina " Sezionatrice...per il taglio di pannelli in legno o truciolare " , il primo inverter ( GF04 ) deve controllare tramite un potenziometro la velocità del carrello porta lama di taglio , che non è molto alta e soprattutto l' accelerazione e decelerazione hanno tempi discretamente lunghi e uguali ( infatti la lama deve entrare ed uscire dal pannello con la stessa velocità per non avere scheggiature nel taglio ) ma non serve un arresto di precisione ; l' inverter GF05 invece deve controllare la velocità di spostamento dei pannelli sulla linea di taglio con posizionamento al decimo di millimetro , accelerazione breve , velocità sostenuta e decelerazione brevissima perché in spazio strettissimo che per evitare il surriscaldamento dei componenti interni richiede il collegamento di una resistenza cosiddetta di frenatura per dissipare parte dell'energia  . A tal proposito ecco di seguito la spiegazione di un costruttore d' inverter :

quando l' inerzia del carico da decelerare è importante e la rampa di decelerazione impostata dal variatore è troppo breve, vi è restituzione di energia dal carico al variatore. Questa restituzione avviene con l'immagazzinaggio di quest'energia sui condensatori del bus continuo del variatore. Questo provoca un aumento di tensione del bus che non potrà superare una soglia limite che causerebbe danni al variatore. Finché la tensione del bus continuo è inferiore alla soglia di tensione ammessa, il variatore  segue la rampa di decelerazione caricando i condensatori dell' eccesso di energia, permettendo la frenatura del carico , ma al raggiungimento della soglia di tensione max, per potere mantenere il controllo del variatore occorre effettuare un arresto frenato con resistenza di frenatura ; in questo caso l' energia supplementare è trasmessa alla resistenza di frenatura e dissipata per effetto Joule. Se la resistenza di frenatura è correttamente dimensionata, l'arresto del carico avviene nel  tempo configurato dal parametro rampa di decelerazione, indipendentemente dal carico  . 

Comunque è logico che i due esempi soprariportati sono una goccia nell' oceano rispetto alle possibilità di utilizzo degli inverter attuali per cui , ripeto , il progettista elettromeccanico deve instaurare un rapporto collaborativo e di fiducia con lo staff tecnico della ditta che produce l'inverter che si vorrebbe utilizzare (a volte basta un rappresentante preparato anche tecnicamente sul prodotto -  qui desidero menzionare l'Ing. Landi della Protos (BO) rappresentante di più aziende produttrici e in grado di farti tutti i calcoli immediatamente ; con lui non puoi sbagliare la scelta....) e non si avrà alcun problema , compresa la sua programmazione ( o scelta dei parametri per il suo miglior utilizzo ) - anche se i manuali sembra stiano diventando un pò più immediati o di più veloce consultazione .

 In fondo al post ho riportato un breve riassunto , preso in qua e in là nel web , sull'utilizzo degli inverter , dei quali esiste già una notevole letteratura in tutte le direzioni per chi volesse approfondire .

Il prossimo post sarà sui componenti e/o circuiti di logica di macchina ......



  I variatori di frequenza , o inverter sono dispositivi elettronici utilizzati per variare la velocità di rotazione di un motore a corrente alternata , tipicamente un motore a induzione.
La variazione della velocità si ottiene aumentando o diminuendo la frequenza che alimenta il motore elettrico. La modulazione delle caratteristiche elettriche viene ottenuta grazie al continuo accendersi e spegnersi di transistor, IGBTs o tiristori. Gli inverter possono avere un funzionamento a corrente costante o a tensione costante, questi ultimi sono quelli a più larga diffusione. La regolazione viene effettuata tramite algoritmi PWM (pulse With Modulation) che permettono di manipolare sia la tensione che la frequenza in uscita verso il motore.
 L’impiego di controlli a frequenza variabile per applicazioni su motori asincroni è una pratica sempre più in uso. Nel tempo i costi di produzione di questi dispositivi si sono abbassati . La qualità e l’efficienza dei convertitori è migliorata sempre di più ; al contrario dei vecchi modelli quelli più recenti hanno migliorato gli algoritmi di controllo e non rappresentano una limitazione nella scelta del motore che non deve per forza essere predisposto per inverter. Tutto questo lo si deve alle elevate frequenze di commutazione attualmente raggiungibili in grado di generare forme d’onda quasi perfettamente sinusoidali.
 Vantaggi :
 1) Risparmio di energia
Sono un modo efficace per controllare la velocità di motori asincroni e sono abbastanza semplici e facili da utilizzare. Tra i vantaggi nell’utilizzo di un convertitore per il controllo della velocità del motore c’è senza dubbio un risparmio energetico effettivo. Controllare la quantità di corrente assorbita dal motore permette di tenere a bada i costi energetici, perché l’inverter fornirà corrente al motore solo il tempo necessario e quando sarà richiesto dal carico.
 2) Controllo più preciso sulla velocità del motore
E' una delle ragioni se non la principale nella scelta di un convertitore di frequenza variabile. Gli inverter permettono di ottenere un preciso e costante controllo della velocità dei motori elettrici.
 3) Riduzione dei costi di manutenzione
Fondamentale nella regolazione sono anche le rampe di accelerazione e decelerazione che possono essere variate a piacimento evitando forti picchi di corrente durante gli avviamenti nonché dannosi “strappi” meccanici sul carico da movimentare . Il risultato è quello di allungare la vita del motore e ridurre i costi di manutenzione e riparazione.
 Svantaggi :
Purtroppo elevate frequenze di commutazione sono all’origine di interferenze elettromagnetiche negli impianti di controllo. Per ridurre tali interferenze si devono impiegare cavi schermati per alimentare i motori elettrici. Per contenere questo genere di rumore occorrono adeguati filtri nel circuito, che normalmente sono integrati negli inverter di ultima generazione .

Seguono i Link dei miei post di elettromeccanica :
https://silvanastrina.blogspot.com/2016/11/progettazione-elettromeccanica-e-plc.html
https://silvanastrina.blogspot.com/2017/09/elettromeccanica-un-po-di-scuola-o.html
https://silvanastrina.blogspot.com/2017/09/accenno-agli-interruttori-sezionatori.html
https://silvanastrina.blogspot.com/2017/10/protezioni-macchina-e-carico-fusibili.html
https://silvanastrina.blogspot.com/2017/10/riflessioni-sull-utilizzo-di-inverter-o.html
https://silvanastrina.blogspot.com/2017/10/logica-di-controllo-elettromeccanica.html
https://silvanastrina.blogspot.com/2017/11/logica-di-controllo-elettromeccanica.html
https://silvanastrina.blogspot.com/2018/08/elettromeccanica-applicata-al_63.html
https://silvanastrina.blogspot.com/2019/03/progettazione-elettromeccanica-schema.html
https://silvanastrina.blogspot.com/2019/03/progettazione-elettromeccanica-schema_25.html
https://silvanastrina.blogspot.com/2019/09/sbalzi-o-black-out-della-linea.html
https://silvanastrina.blogspot.com/2020/03/progettazione-elettromeccanica-alcune.html
https://silvanastrina.blogspot.com/2020/03/progettazione-elettromeccanica-schema.html

sabato 7 ottobre 2017

Protezioni macchina e carico " fusibili , magnetotermici , relè termici ..." da : Elettromeccanica : un pò di scuola o lezioni cercando la semplicità - potenza e carico ( motori elettrici , elettrovalvole , elettromagneti , contattori o teleruttori , magnetotermici , relè termici , fusibili , autotrasformatori , inverter ...) , logica di comando e di sicurezza ( circuiti di sicurezza e di comando dei componenti di gestione diretta del carico , formati da pulsanti di varie tipologie , finecorsa , sensori , fotocellule , relè , temporizzatori , teleruttori , trasformatori ...) .


Ravenna 07-10-2017

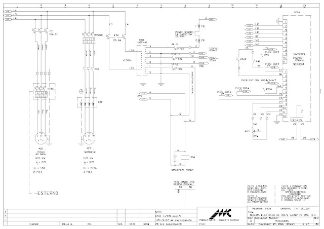
A monte dell' interruttore generale di un impianto ( soprattutto per proteggere tutti i collegamenti da corto circuito ) deve essere installata la protezione principale  cui è stato fatto cenno nel post precedente " accenno agli interruttori sezionatori " ; a valle l'impianto deve prevedere le protezioni di zona e cioè la protezione di ogni singolo carico con relativi collegamenti . Nel caso del solito schema preso in considerazione , e che segue , si tratta di diversi motori asincroni trifase , del trasformatore di bassa tensione , di un autotrasformatore e di due inverter o variatori di velocità ; precisamente ( da Sx a Dx in entrambi i fogli ) di : M01 , M12 , ATR01 ( autotrasformatore ) , M02 , M11 , GF05 (inverter ) ( 1° foglio ) e M05 , M15 , TR01 (trasformatore di bassa tensione ...) , GF04 (inverter ) ( 2° foglio ) . Le loro rispettive protezioni di zona sono : MT01MP ( per M01 ) , MT12MK ( per M12 ) , MT02TK (per ATR01 - GF04 - M02 ) , MT11ML ( per GF05 - M11 ) , F11/MT05 ( per M05 ) , MT50MH ( per M15 ) , F04 ( per TR01 primario ) , F05 ( per  TR01 secondario 110Vac ) , F07 ed F09 ( per TR01 secondario - 2 volte 220Vac ) .
I magnetotermici riportano nei loro dati tecnici di costruzione la "In"(corrente nominale) , la potenza e la tensione di lavoro , il campo di taratura della corrente in cui la "In" sarà il valore massimo e la corrente di Sgancio per cortocircuito .

La scelta di dimensionamento del magnetotermico per protezione motore sarà fatta in modo che il valore della corrente nominale del motore ricada all' interno del suo campo di taratura , esempio ;  motore di 11Kw - In = 23A ---taglia magnetotermico > In = 25A , 11Kw , campo di taratura 18 - 25A  con regolazione a 23A oltre i quali avverrà lo sgancio termico e corrente di sgancio per cortocircuito 325A .
Quando su un impianto alimentato a 400Vac il motore è controllato da un inverter che deve essere alimentato a 220Vac ( scelta che si effettua , più che altro , per motivi di risparmio diretto sul prezzo e d' immagazzinamento ..di conseguenza..) occorre introdurre fra il magnetotermico e l'inverter un autotrasformatore .
In questo caso si dovrà inserire un magnetotermico per protezione trasformatore che ha una corrente di sgancio per cortocircuito più alta ( per ignorare i picchi...) e la taratura sarà fatta sulla corrente nominale circolante nella porzione primaria dell' avvolgimento dell'autotrasformatore , mentre l' inverter collegato alla porzione secondaria dell'avvolgimento dell' autotrasformatore proteggerà il motore sia per sovraccarico che per cortocircuito , ma questo argomento lo affronterò in un prossimo Post .
Si tenga presente che ATR01 di pag.1 colonna 6 è un simbolo errato perché ruotato di 180° ( d'altronde è solo un simbolo ) ; chi si vuol divertire con qualche schema di autotrasformatore usi il link seguente.... :

https://www.google.it/url?sa=t&rct=j&q=&esrc=s&source=web&cd=2&ved=0ahUKEwiYjvO26NnWAhXiJ8AKHWPGA68QFgg3MAE&url=http%3A%2F%2Fonline.scuola.zanichelli.it%2Fmirandola-files%2FCorso_Elettr_V02%2FCapitolo_07%2FMirandola_V2_07-1_Autotrasformatore_trifase.pdf&usg=AOvVaw1qTz3MNNLKvu2s9DZIlO3i


Per proteggere un inverter ( nello schema preso in esame ...MT11ML su GF05 - M11 ) alimentato direttamente dalla linea monofase o trifase è consigliato l' utilizzo di un interruttore differenziale di tipo F in monofase e di tipo B in trifase .
Se si ha un motore da alimentare con comando lontano dal Quadro elettrico ( nel foglio 2 dello schema a colonna 2 ---F11 - MT05 - M05--- ) si può semplificare inserendo nel Quadro elettrico dei fusibili rapidi ( F11 ) per la protezione contro i cortocircuiti dei  collegamenti ed un magnetotermico lontano dal Quadro elettrico con anche funzione d' interruttore ( MT05 nello schema ) per alimentare e/o spegnere il motore e proteggere il motore M05 ed i relativi collegamenti contro il sovraccarico ed il cortocircuito .
La protezione per sovraccarico si può fare anche tramite relè termico con a monte una protezione per cortocircuito tramite fusibile rapido ma , mentre circa 20 anni fa il suo utilizzo era normale routine , oggi si è quasi azzerato ; tuttavia tali componenti esistono ancora e quando si risparmia qualcosa sul costo e magari un po' di spazio nel quadro elettrico , dato che il relè termico solitamente si inserisce direttamente sul contattore di comando del carico o motore , bisogna valutare bene se gli svantaggi possono essere ignorati .
Il trasformatore di bassa tensione ( TR01 nello schema ...) solitamente si protegge , sia al primario che al secondario , con dei fusibili che saranno rispettivamente ritardati ( F04 )  e rapidi (F05 - F07 - F09 ) ; segue un breve richiamo alle loro classi di funzionamento e d'esercizio .
 Classi di funzionamento :
• classe g
 (general purpose fuses): protezione campo totale. Il fusibile deve essere
in grado di interrompere correnti comprese tra la corrente convenzionale di fusione
ed il potere di interruzione nominale. Proteggono sia dai corto circuiti che dai
sovraccarichi.
• classe a
 (motor backup fuses): protezione campo parziale.
 Il fusibile deve essere in grado di interrompere tutte le correnti comprese tra la
minima corrente d’interruzione ed il proprio potere di interruzione nominale.
Proteggono solo dai corto circuiti e da sovraccarichi elevati. Devono essere asso-
ciati ad altri dispositivi di protezione contro le sovracorrenti.
Oggetti da proteggere:
• G: cavi e conduttori
• R: semiconduttori
• M: apparecchi (motori)
• B: impianti in miniera.
Principali classi di esercizio:
1. “gG”: Campo totale: per protezione di cavi e conduttori.
2. “aM”: Campo parziale: per protezione di motori.
3. “gR”: Campo totale: per protezione di semiconduttori.
4. “aR”: Campo parziale: per protezione di semiconduttori .

Il trasformatore di bassa tensione è un componente importane perché alimenta gran parte di un impianto per cui deve essere dimensionato bene ( è meglio tenersi un pò abbondanti nella potenza ) e con le protezioni adeguate sia in ingresso che in uscita . Nel caso del TR01...( di 600VA ) 450VA  a 110Vac sono dedicati alla logica di macchina compresa l'alimentazione del PLC mentre 150VA  a due avvolgimenti separati ( 75VA + 75VA ) che alimentano il Controllo numerico ed un freno motore ; i picchi generati dal magnete del freno disturberebbero il C.N. se l'alimentazione venisse da un unico avvolgimento .





Nel prossimo post penso che lancerò qualche sassolino nello stagno riflettendo un po' sugli inverter o convertitore di frequenza o variatore di velocità .

Seguono i Link dei miei post di elettromeccanica :
https://silvanastrina.blogspot.com/2016/11/progettazione-elettromeccanica-e-plc.html
https://silvanastrina.blogspot.com/2017/09/elettromeccanica-un-po-di-scuola-o.html
https://silvanastrina.blogspot.com/2017/09/accenno-agli-interruttori-sezionatori.html
https://silvanastrina.blogspot.com/2017/10/protezioni-macchina-e-carico-fusibili.html
https://silvanastrina.blogspot.com/2017/10/riflessioni-sull-utilizzo-di-inverter-o.html
https://silvanastrina.blogspot.com/2017/10/logica-di-controllo-elettromeccanica.html
https://silvanastrina.blogspot.com/2017/11/logica-di-controllo-elettromeccanica.html
https://silvanastrina.blogspot.com/2018/08/elettromeccanica-applicata-al_63.html
https://silvanastrina.blogspot.com/2019/03/progettazione-elettromeccanica-schema.html
https://silvanastrina.blogspot.com/2019/03/progettazione-elettromeccanica-schema_25.html
https://silvanastrina.blogspot.com/2019/09/sbalzi-o-black-out-della-linea.html
https://silvanastrina.blogspot.com/2020/03/progettazione-elettromeccanica-alcune.html
https://silvanastrina.blogspot.com/2020/03/progettazione-elettromeccanica-schema.html
https://silvanastrina.blogspot.com/2020/03/progettazione-elettromeccanica-schema_27.html
https://silvanastrina.blogspot.com/2021/01/progettazione-elettromeccanica-macchina.htm